中文
English
¦
中文
首页
Home
关于飞创
Nav
产品中心
Nav
新闻中心
Nav
留言板
Messages
联系我们
Nav
服务咨询电话
+86-577-61733708
产品导航
户外真空断路器系列
看门狗真空断路器系列
户内高压真空断路器系列
SF6六氟化硫断路器系列
高压(真空)负荷开关系列
高压隔离开关系列
高压接地开关系列
高压多油断路器系列
熔断器/避雷器系列
操作机构及配件系列
高压计量箱系列
高压开关柜系列
低压开关柜系列
箱式变电站系列
电缆分支箱系列
上一个:
KYN61-40.5铠装移开式交流金属封闭开关设备
下一个:
XGN17-40.5箱型固定式高压开关设备
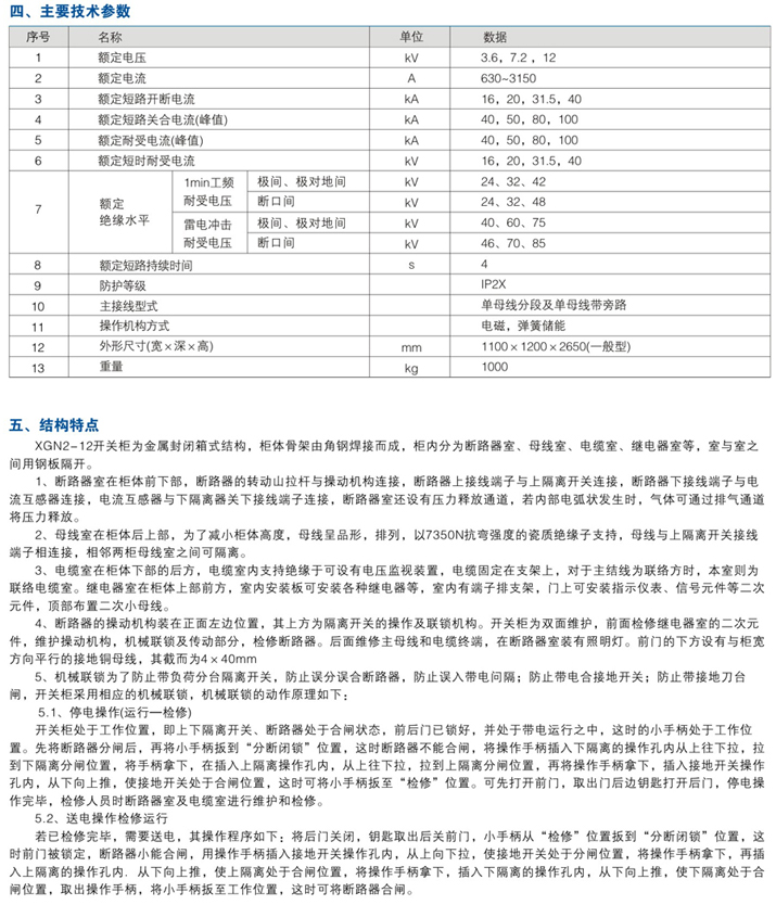
XGN2-12箱型固定交流金属封闭开关设备
产品详情